Engineering Design

Services

Structured planning, cost control and coordination of installations throughout all project phases – with a focus on efficient solutions and structured implementation.

Technical building Planning


I provide support for construction projects in the planning and installation of building services – from the initial design phase through to final completion.

Portfolio

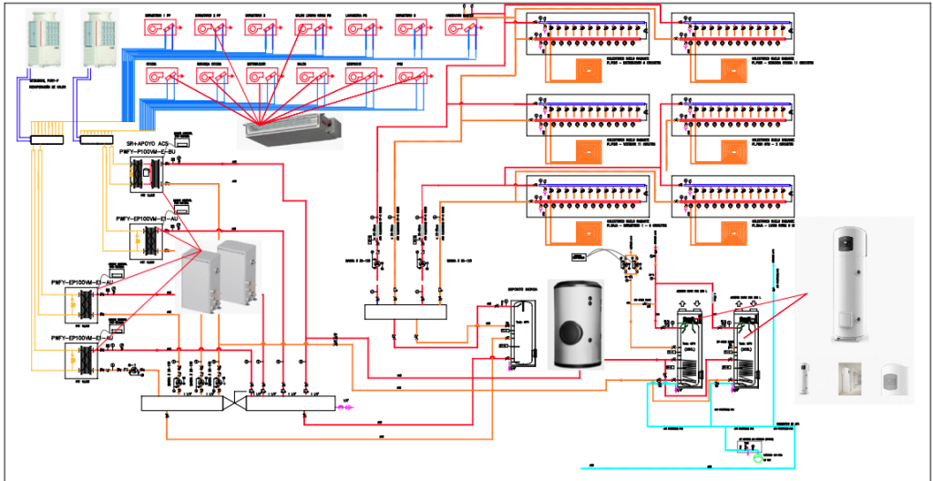
An overview of various projects highlights the diversity of technical installations – ranging from luxurious detached houses and residential complexes to industrial and commercial buildings. Each project is characterised by precise planning, high-quality execution and well-thought-out technical solutions.
Scroll to Top